Prodotti
Valvola di ritegno a battente
  • Valvola di ritegno a battenteValvola di ritegno a battente

Valvola di ritegno a battente

Jinqiu Valve produce una valvola di ritegno a battente di qualità, una valvola automatica nota anche come valvola unidirezionale o valvola di ritegno. La sua funzione è quella di impedire il riflusso del fluido nella tubazione, consentendo al fluido di fluire in una direzione. Previene efficacemente il riflusso (flusso di ritorno) che potrebbe danneggiare il sistema di tubazioni. La valvola apre o chiude i suoi componenti di apertura e chiusura in base al flusso e alla forza del fluido per impedire il riflusso del fluido.
Jinquan Valve is a high-tech enterprise integrating valve product research, production, sales, and service. As an H44H and H44Y type PN16 ~ PN250 swing check valves supplier, our customized swing check valves are suitable for pressures of 1.6 ~ 25MPa, working temperatures of -29 ~ +550 ℃, and are applicable to pipeline conditions in the petroleum, chemical, pharmaceutical, fertilizer, power industries, and other environments. Applicable media include water, oil, steam, acidic media, and so on. We have been operating in the valve manufacturing field for over twenty years. With our experience, we have won high praise from the market for our reasonable prices, high quality, and attentive service.

1. Apertura e chiusura automatica: la valvola di ritegno a battente si apre e si chiude automaticamente in base alla forza del flusso del fluido. Quando il fluido scorre nella direzione specificata, il disco della valvola viene aperto e la valvola si apre. Quando il fluido smette di fluire o rifluisce, il disco della valvola si chiude sotto il proprio peso o forza elastica, impedendo il riflusso. Non è richiesta alcuna operazione manuale, ottenendo il controllo automatico.
2. Sigillatura affidabile: le superfici di tenuta del disco e della sede della valvola sono generalmente realizzate in lega saldata a base di ferro o lega dura a base di cobalto stellite, resistente all'usura, al calore, alla corrosione e con buona resistenza ai graffi. Ciò garantisce un effetto sigillante stabile a lungo termine e previene efficacemente la fuoriuscita del fluido. 3. Canale di flusso senza ostacoli: il canale di flusso è progettato in modo razionale, con conseguente bassa resistenza al fluido. Il fluido può passare agevolmente attraverso la valvola di ritegno a battente, riducendo la perdita di pressione e il consumo di energia.

Parametri di prestazione

modello H44H-16C~250 H44L-16P~250
Pressione di lavoro (MPa) 1,6~25
temperatura corretta(℃) ≤425 ≤550
Supporti adatti Acqua, vapore, olio Mezzo debole corrosivo
materiale Corpo, cofano, disco Acciaio al carbonio Acciaio inossidabile al cromo-nichel-titanio
Superficie di tenuta Leghe a base di ferro superfici di acciaio al carbonio Corpo sigillato

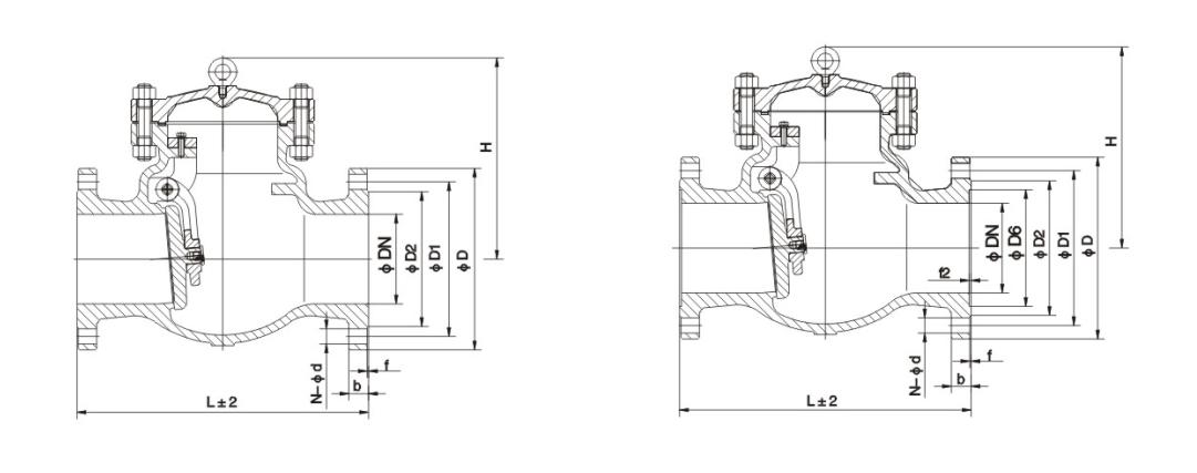
La forma principale e le dimensioni di connessione

Diametro nominaleDN Le dimensioni principali e le dimensioni di connessione
L D D1 D2 b Z-d H
H44H-16C H44W-16C H44W-16P H44W-16R H44W-16I
25 160 115 85 65 16 4-14 100
32 180 135 100 78 16 4-18 105
40 200 145 100 85 16 4-18 115
50 230 160 125 100 16 4-18 135
65 290 180 145 120 18 4-18 142
80 310 195 160 135 20 8-18 165
100 350 215 180 155 20 8-18 180
125 400 245 210 185 22 8-18 210
150 480 280 240 210 24 8-23 233
200 500 335 295 265 26 12-23 304
250 550 405 355 320 30 12-25 348
300 650 460 410 375 30 12-25 390
350 750 520 470 435 34 16-25 430
400 850 580 525 485 36 16-30 468
H44H-25 H44W-25 H44W-25P H44W-25R H44W-25I
25 160 115 85 65 16 4-14 100
32 180 135 100 78 16 4-18 105
40 200 145 110 85 16 4-18 115
50 230 160 125 100 20 4-18 160
65 290 180 145 120 22 8-18 175
80 310 195 160 135 22 8-18 185
100 350 230 190 160 24 8-23 220
125 400 270 220 188 28 8-25 248
150 480 300 250 218 30 8-25 276
200 550 360 310 278 34 12-25 350
250 650 425 370 332 36 12-30 410
300 750 485 430 390 40 16-30 430
350 850 550 490 448 44 16-34 518
400 950 610 550 505 48 16-34 560

Immagine della struttura

Tag caldi: Valvola di ritegno a battente, Cina, personalizzato, qualità, durevole, avanzato, produttore, fornitore, fabbrica, in magazzino
Invia richiesta
Informazioni di contatto
  • Indirizzo

    No.1, North 1st Road, Stainless Steel New Town, Lecong Steel World West Road, distretto di Shunde, città di Foshan, provincia del Guangdong, Cina

Per domande su valvole a saracinesca, valvole a globo e valvole di ritegno o listino prezzi, lasciaci la tua email e ti contatteremo entro 24 ore.

X
Utilizziamo i cookie per offrirti una migliore esperienza di navigazione, analizzare il traffico del sito e personalizzare i contenuti. Utilizzando questo sito, accetti il ​​nostro utilizzo dei cookie. politica sulla riservatezza
Rifiutare Accettare